Στείλτε μας email
Προϊόντα
TAC Pneumatic Agggle Valve
  • TAC Pneumatic Agggle ValveTAC Pneumatic Agggle Valve

TAC Pneumatic Agggle Valve

Ως επαγγελματική κατασκευή, η OLK θα ήθελε να σας παράσχει βαλβίδα TAC Pneumatic Togggle. Και η OLK θα σας προσφέρει την καλύτερη υπηρεσία μετά την πώληση και την έγκαιρη παράδοση.

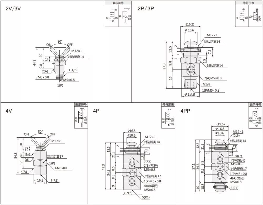
Η βαλβίδα εναλλαγής TAC (γνωστή και ως βαλβίδα διακόπτη) είναι ένα συστατικό μεταγωγής ακριβείας ειδικά σχεδιασμένο για πνευματικά συστήματα και έλεγχο υγρών. Με τη μοναδική δομή ελέγχου τύπου εναλλαγής, επιτυγχάνει ταχεία εναλλαγή και ακριβή έλεγχο των διαδρομών ρευστών.

Η βαλβίδα εναλλαγής σειράς TAC έχει 2 θέση 2, 2 θέσεις 3 και 2 θέσεις 5 μπορεί να επιλέξει. Διάφορα τύπου μοχλού και δύο τύπους νήμα: M5, G1/8.

Σενάρια εφαρμογής

Εξοπλισμός βιομηχανικού αυτοματισμού, μηχανική επεξεργασία, επεξεργασία δομικών υλικών, ενέργεια και εξόρυξη, βιομηχανία τροφίμων και ποτών, ιατρικός εξοπλισμός κ.λπ.

Χαρακτηριστικά προϊόντος

Είναι μικρό σε μέγεθος, απαιτεί ελάχιστο χώρο εγκατάστασης και είναι διαισθητικό να λειτουργεί με το χέρι, καθιστώντας το κατάλληλο για σενάρια που απαιτούν συχνή αλλαγή.

Σύμβολο βαλβίδων TAC TAC και περίγραμμα

Κώδικας

Tac

2

__

2

P

 

 

 

 

 

Βαλβίδα TAC Series Aggle

 

 

2: 2Position 2 Way (M5)

P: Τύπος κουμπιού push-pull

 

 

 

3: 2 Θέση 3 Way (M5)

V: Τύπος μοχλού χεριών

 

 

 

4: 2 Powition 5 Way (M5)

PP: κουμπί διπλής ώθησης

 

 

 

31: 2 Θέση 3 Way (G1/8)

 

 

 

 

41: 2 Powition 5 Way (G1/8)

 

 

Μοντέλο

Μέγεθος θύρας

 

Αριθμός
θέση

Αποτελεσματικός  
περιοχή διατομής

Κλίμακα πίεσης

Υγρό εργαζόμενο

Περιβάλλων
Θερμοκρασία

 

TAC-2V

Είσοδος = outlet = m5   

2 θέση 2 τρόπος

1,9mm²

0,05 ~ 0,9ppa

Αέρας

0 ~ 60

TAC-2P

Είσοδος = outlet = m5   

2 θέση 2 τρόπος

1,9mm²

TAC-3V

Είσοδος = outlet = m5   

2 Θέση 3 δρόμων

1,9mm²

TAC-3P

Είσοδος = outlet = m5   

2 Θέση 3 δρόμων

1,9mm²

TAC-4V

Είσοδος = outlet = m5   

2 θέση 5 τρόπος

1,9mm²

TAC-4P

Είσοδος = outlet = m5   

2 θέση 5 τρόπος

1,9mm²

4PP

G1/8

 

2 θέση 5 τρόπος

4.5mm²

TAC2-31V

Inlet = outlet = εξάτμιση = g1/8   

2 Θέση 3 δρόμων

4.5mm²

TAC2-31P

Inlet = outlet = εξάτμιση = g1/8   

2 Θέση 3 δρόμων

4.5mm²

TAC2-41V

Inlet = outlet = g1/8 εξάτμιση = m5

2 θέση 5 τρόπος

4.5mm²

TAC2-41P

Inlet = outlet = g1/8 εξάτμιση = m5

2 θέση 5 τρόπος

4.5mm²

TAC2-41pp

Inlet = outlet = g1/8 εξάτμιση = m5

2 θέση 5 τρόπος

4.5mm²

Συχνές ερωτήσεις:

Ποια είναι η διαφορά μεταξύ της βαλβίδας εναλλαγής και της μηχανικής βαλβίδας;

Μπορεί να διακρίνει τη βαλβίδα εναλλαγής και τη μηχανική βαλβίδα με τύπο ελέγχου: η βαλβίδα εναλλαγής είναι τύπος συγκράτησης μοχλού, η μηχανική βαλβίδα είναι τύπος κουμπιού ώθησης ή τύπου κυλίνδρου

 

Ποια είναι η διαφορά μεταξύ της βαλβίδας εναλλαγής και άλλων βαλβίδων;

Ακριβής έλεγχος: Οι βαλβίδες εναλλαγής επιτυγχάνουν ρύθμιση λεπτής ροής μέσω ενός κωνικού πυρήνα βαλβίδων, ο οποίος είναι κατάλληλος για ακριβή έλεγχο σε αγωγούς μικρής διαμέτρου, ενώ οι βαλβίδες μπάλας είναι πιο κατάλληλες για λειτουργίες γρήγορου ανοίγματος και κλεισίματος.

Hot Tags: TAC Pneumatic Agggle Valve, Κίνα, Κατασκευαστής, Προμηθευτής, Εργοστάσιο
Αποστολή Ερώτησης
Πληροφορίες επαφής
  • Διεύθυνση

    Zhengtai Road, Xinguang Βιομηχανική Ζώνη, Liushi, Yueqing, Wenzhou, Zhejiang, Κίνα.

  • ΗΛΕΚΤΡΟΝΙΚΗ ΔΙΕΥΘΥΝΣΗ

    cici@olkptc.com

Καλώς ήρθατε στην ιστοσελίδα μας! Για ερωτήσεις σχετικά με τα προϊόντα ή τον τιμοκατάλογό μας, αφήστε μας το email σας και θα επικοινωνήσουμε εντός 24 ωρών.
ΗΛΕΚΤΡΟΝΙΚΗ ΔΙΕΥΘΥΝΣΗ
cici@olkptc.com
Τηλ
86-0577 57178620
Κινητό
+86-13736765213
Διεύθυνση
Zhengtai Road, Xinguang Βιομηχανική Ζώνη, Liushi, Yueqing, Wenzhou, Zhejiang, Κίνα.
X
Χρησιμοποιούμε cookies για να σας προσφέρουμε καλύτερη εμπειρία περιήγησης, να αναλύσουμε την επισκεψιμότητα του ιστότοπου και να εξατομικεύσουμε το περιεχόμενο. Χρησιμοποιώντας αυτόν τον ιστότοπο, συμφωνείτε με τη χρήση των cookies από εμάς. Πολιτική Απορρήτου
Απορρίπτω Αποδέχομαι